解决方案
设备更新 降本提质 | 新风光高压变频技术实现压缩机“一拖二”高效应用
压缩机是一种利用电动机将气体在压缩腔内进行压缩并使压缩的气体具有一定压力的设备。新风光根据空压机的工艺特点自主研发的空压机专用变频器,配套全面系统的空压机专用系统,其功能丰富、应用灵活简便、性能稳定、调试方便快捷等优点得到客户广泛认可。

河北某新型材料公司主要生产丙烯、丙烷等化工品,其使用的压缩机,原为工频启动,每次启动压缩机都是重载启动,启动起来十分不容易,同时还给工艺上带来很大隐患,比如噪音大,启动电流大,影响设备寿命、压力突变等。另外,由于负载的波动性较大,电机很少在满载情况下运行,仅依靠关出口阀、打回流来调节流量,浪费严重,能耗较高。为解决这一系列问题,经过全面分析与方案论证,新风光决定采用压缩机专用高压变频器对电机进行变频改造。
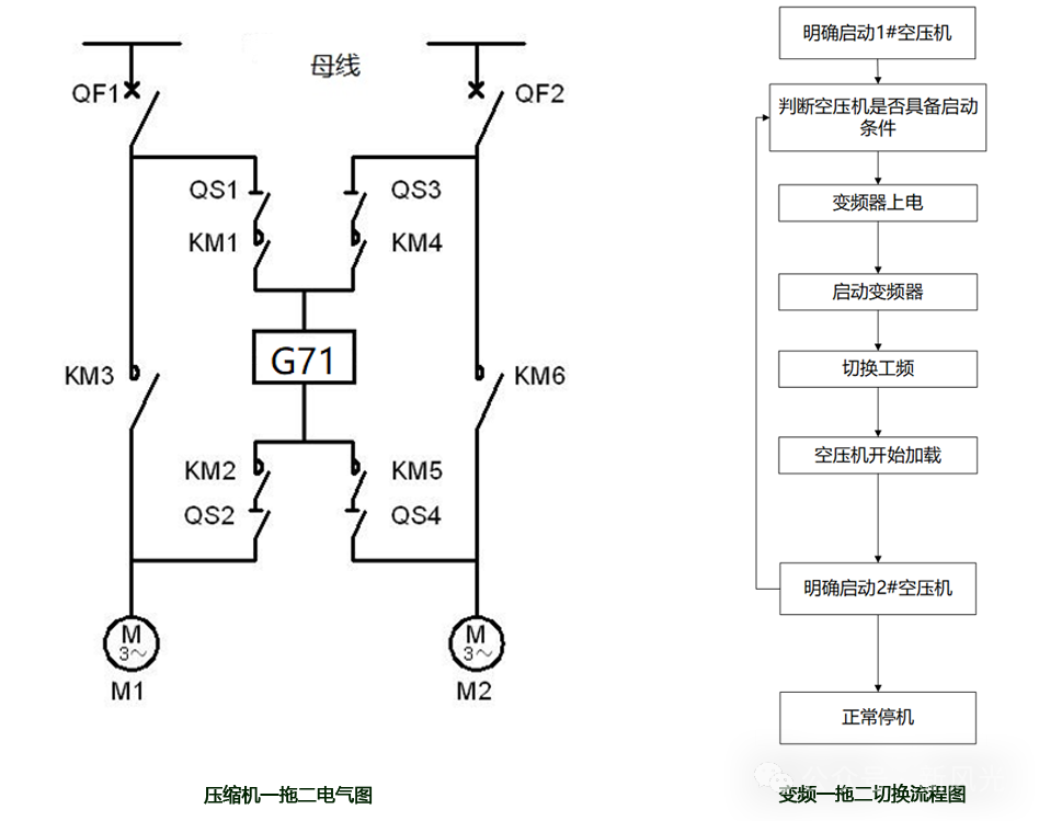
新风光结合用户现场工况,提供一套型号为JD-BP38-7200FF1M大功率高压变频器,变频器采用功率单元级联技术,包括功率柜、控制柜、切换柜等。该系统通过一台高压变频电机分时驱动两台压缩机,利用变频器实现软启动和工频切换,从而控制压缩机的输出,满足不同工况需求。
新风光高压变频器运行后,经过反复测试,各运行参数一直正常,安全可靠,各项指标均达到了设计要求。